|
|
|
|
歡迎您在這里留言,我們將對您的意見和 各種反 饋信息予以回復,希
望我們的留言給您帶來幫助
。感謝您對我們的支
持和厚 愛。[進入系統(tǒng)] |
|
|
|
|
|
|
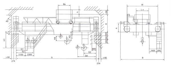
QD16/3.2噸電動雙梁橋式起重機 | 
工作級別
|
A5
|
A6
|
跨度(S)
|
m
|
10.5
|
13.5
|
16.5
|
19.5
|
22.5
|
25.5
|
28.5
|
31.5
|
10.5
|
13.5
|
16.5
|
19.5
|
22.5
|
25.5
|
28.5
|
31.5
|
起重機總重
|
t
|
18.9
|
20.7
|
23.0
|
25
|
28.3
|
32.0
|
35.9
|
38.5
|
20.2
|
22.3
|
24.6
|
27.3
|
30.0
|
33.6
|
37.5
|
40.1
|
輪壓
|
kN
|
145
|
150
|
162
|
170
|
181
|
190
|
196
|
205
|
147
|
152
|
164
|
172
|
183
|
192
|
198
|
207
|
起升高度
|
m
|
16/18
|
16/18
|
速度
|
起重機運行
|
m/min
|
74.4
|
8.65
|
小車運行
|
44.2
|
44.2
|
主起升
|
9.6
|
13.0
|
付起升
|
18.0
|
18.0
|
電動機
|
起升
|
主
|
型號/KW
|
YZR225M-8/26
|
YZR250M-6/37
|
付
|
YZR160L-6/13
|
YZR160L-6/13
|
小車運行
|
YZR132M-6/4
|
YZR132M2-6/4
|
大車運行
|
YZR160M-6/2x6.3
|
YZR160M2-6/2x7.5
|
主要尺寸
|
B
|
mm
|
5860
|
6260
|
5860
|
6260
|
W
|
4200
|
4600
|
4200
|
4600
|
H
|
2058
|
2061
|
2064
|
2067
|
2070
|
2073
|
2076
|
2079
|
2058
|
2061
|
2064
|
2067
|
2070
|
2073
|
2076
|
2079
|
A
|
821
|
821
|
H3
|
623
|
623
|
F
|
28
|
148
|
278
|
428
|
578
|
728
|
828
|
978
|
28
|
148
|
278
|
428
|
578
|
728
|
828
|
978
|
薦用軌道
|
38kg/m 43kg/m 50kg/m QU50 QU60 QU70 QU80 QU100
|
| 上一頁:QD10噸電動雙梁橋式起重機 下一頁:QD20/5噸電動雙梁橋式起重機 |  |
|
|
|