|
|
|
|
歡迎您在這里留言,我們將對您的意見和 各種反 饋信息予以回復,希
望我們的留言給您帶來幫助
。感謝您對我們的支
持和厚 愛。[進入系統(tǒng)] |
|
|
|
|
|
|
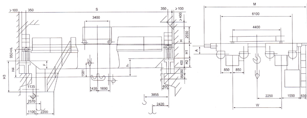
QD75/20噸電動雙梁橋式起重機 | 
工作級別
|
A5
|
A3
|
跨度(S)
|
m
|
13.5
|
16.5
|
19.5
|
22.5
|
25.5
|
28.5
|
31.5
|
13.5
|
16.5
|
19.5
|
22.5
|
25.5
|
28.5
|
31.5
|
起重機總重
|
t
|
61.8
|
65.7
|
70.8
|
76.5
|
81.4
|
88
|
94
|
59.8
|
63.7
|
68.8
|
74.5
|
79.4
|
86
|
92
|
輪壓
|
kN
|
294
|
307
|
319
|
329
|
338
|
350
|
361
|
257
|
268
|
278
|
283
|
301
|
307
|
311
|
速度
|
起重機運行
|
m/min
|
66.7
|
30.6
|
小車運行
|
35.2
|
10.3
|
起升
|
6.2
|
1.27
|
副起升
|
9.2
|
9.2
|
電動機
|
起重機運行
|
|
2~YZR180L-6 2x15KW
|
2~YZR200L-6 2x22KW
|
2~YZR180L
|
2x11KW
|
小車運行
|
YZR160L-6
|
11KW
|
YZR160L-6
|
5.5KW
|
起升
|
YZR315M-10
|
75KW
|
YZR200L-6
|
22KW
|
副起升
|
YZR250M1-8
|
30KW
|
YZR250M1-8
|
30KW
|
主要尺寸
|
M
|
mm
|
8295
|
8295
|
W
|
5500
|
5500
|
H
|
3469
|
3476
|
3481
|
3484
|
3707
|
3716
|
3725
|
3469
|
3476
|
3481
|
3484
|
3707
|
3716
|
3725
|
A
|
1200
|
1200
|
H1
|
830
|
826
|
824
|
824
|
604
|
598
|
594
|
830
|
826
|
824
|
824
|
604
|
598
|
594
|
F
|
-10
|
-10
|
138
|
288
|
118
|
124
|
128
|
-10
|
-10
|
138
|
288
|
118
|
124
|
128
|
薦用軌道
|
43kg/m 50kg/m 70x70 80x80 90x90 100x100 QU80
|
| 上一頁:QD50/10噸電動雙梁橋式起重機 下一頁:QD100/20噸電動雙梁起重機 |  |
|
|
|