|
|
|
|
歡迎您在這里留言,我們將對您的意見和 各種反 饋信息予以回復,希
望我們的留言給您帶來幫助
。感謝您對我們的支
持和厚 愛。[進入系統(tǒng)] |
|
|
|
|
|
|
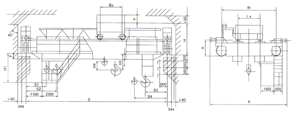
QD50/10噸電動雙梁橋式起重機 | 
工作級別
|
A5
|
A6
|
跨度(S)
|
m
|
10.5
|
13.5
|
16.5
|
19.5
|
22.5
|
25.5
|
28.5
|
31.5
|
10.5
|
13.5
|
16.5
|
19.5
|
22.5
|
25.5
|
28.5
|
31.5
|
起重機總重
|
t
|
31.9
|
34.7
|
37.6
|
41.2
|
45.4
|
50.4
|
57.4
|
64
|
32.8
|
35.6
|
38.5
|
42.1
|
46.3
|
51.4
|
58.4
|
65
|
輪壓
|
kN
|
347
|
368
|
384
|
400
|
415
|
432
|
450
|
470
|
354
|
375
|
398
|
409
|
423
|
440
|
459
|
478
|
起升高度
|
m
|
12/14
|
12/14
|
速度
|
起重機運行
|
m/min
|
58.9
|
76.8
|
小車運行
|
38.5
|
38.5
|
主起升
|
6.2
|
7.6
|
付起升
|
12.5
|
12.5
|
電動機
|
起升
|
主
|
型號/KW
|
YZR280S-8/52
|
YZR315S-8/75
|
付
|
YZR200L-6/26
|
YZR200L-6/26
|
小車運行
|
YZR160M1-6x6.3
|
YZR160M1-6/6.3
|
大車運行
|
YZR160L-6/2x13
|
YZR180L-6/2x15
|
主要尺寸
|
B
|
mm
|
7060
|
7060
|
W
|
5200
|
5200
|
H
|
2720
|
2723
|
2726
|
2729
|
2734
|
2736
|
2746
|
2753
|
2720
|
2723
|
2726
|
2729
|
2734
|
2736
|
2746
|
2753
|
A
|
1011
|
1011
|
H3
|
611
|
911
|
911
|
911
|
909
|
907
|
903
|
899
|
911
|
911
|
911
|
911
|
909
|
907
|
903
|
899
|
F
|
90
|
340
|
490
|
690
|
792
|
794
|
798
|
802
|
90
|
340
|
490
|
790
|
792
|
794
|
798
|
802
|
薦用軌道
|
38kg/m 43kg/m 50kg/m QU70 QU80 QU90 QU100
|
| 上一頁:QD32/5噸電動雙梁橋式起重機 下一頁:QD75/20噸電動雙梁橋式起重機 |  |
|
|
|